Order information:
KLS1-HSD-FAKRA01-9005-1
RAL=9005,9001,5005,4004,6002,8011,7031,4003,1001,1027,3002,2003,6019,5021
Size-1,2,3,4...
-------------------------------------------------------------------------------------
SIZE 1:

-------------------------------------------------------------------------------------
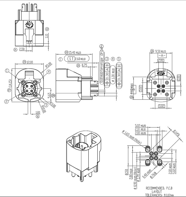
SIZE 2:

|