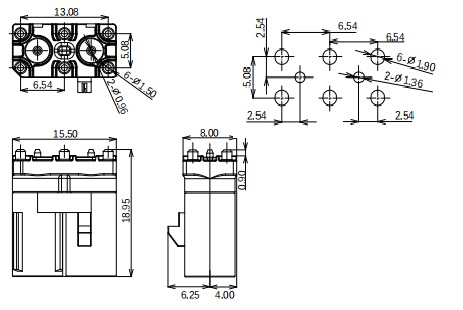
Specification
- Connector: 2 x FAKRA plug 180° PCB
- Frequency Range: DC to 6 GHz
- Pin: phosphorus bronze gold plated
- Insulator: PTFE
- Housing: Zinc alloy, Tin plating
- Plastic shell: PA66 GF30
System requirements
- Suitable board for mounting the FAKRA connector
Order information:
KLS1-FAKRA18-A-9005-1
Card slot direction: A=up B=down C=Left D=Right
RAL-9005 Or 9001,5005,4004,6002,8011,7031,4003,1001,1027,3002,2003,6019,5021
Size-1,2,3,4..
SIZE 1:

|